Jsi tady: Domov » Zprávy
  • 2025-09-05
    Z vstupu produktu - hodnocení hodnocení - vylepšení struktury - na inženýrství Výstupní výstup: 3D Technologie intuitivně odráží stav formy, odhaluje jinak neviditelné problémy a snižuje míru chyb způsobených návrhem plísní, čímž se sníží náklady.
  • 2025-08-29
    Sestava umírání podvozku: Přehled různých technologií kompresorových šroubů
  • 2025-07-29
    Otevření článku Otevření výroby velkých komponent domácích spotřebičů, jako jsou panely ledničky, pec a podvozek pračky, vyžaduje mimořádnou přesnost ve výrobní stupnici. Jako dominantní výrobní metoda pro tyto části plechu, Combini, se objevila progresivní lisování
  • 2025-07-29
    Otevření článku V konkurenčním průmyslu domácích spotřebičů, výrobci klimatizace čelí rostoucímu tlaku, aby kombinovali estetickou excelenci s trvalým výkonem. Panely odolné vůči škrábancům odolném proti poškrábání přecházely z prvotřídních funkcí na očekávání spotřebitelů a přiměly inovace v injekci
  • 2025-07-23
    Ve vyvíjejícím se světě klimatizačních systémů již estetika, funkčnost a energetická účinnost již nejsou volitelné; Jsou nedílnou součástí konkurenceschopnosti na trhu. Objevte, jak vícebarevné lisování vstřikování transformuje výrobu větracích otvorů pro klimatizaci (AC) kombinací estetiky, funkčnosti a udržitelnosti.
  • 2025-07-23
    Formy Hot Runner se staly nezbytnou technologií ve výrobě automobilových interiérových dílů, což výrobcům umožňuje dosáhnout vysoké přesnosti, zkrácení doby cyklu a nákladově efektivní výrobu pro komplexní komponenty. Tento článek zkoumá důležitost horkých běžeckých forem ve výrobě automobilových dílů, včetně řídicích panelů, dveřních panelů a konzolových obložení.
  • 2025-07-23
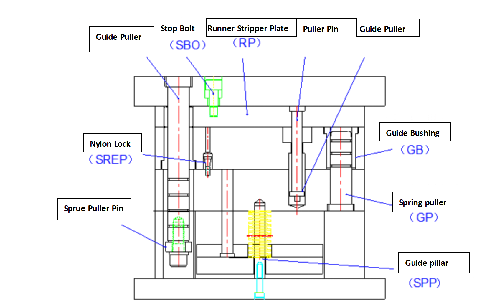
    Vstřikovací formy jsou páteří přesné výroby v průmyslových odvětvích od automobilových a zdravotnických prostředků až po domácí spotřebiče a spotřební elektroniku. Objevte, jak může proaktivní údržba zkrátit doby cyklu, zlepšit kvalitu produktu a zvýšit celkovou efektivitu výroby a zároveň minimalizovat prostoje a náklady.
  • 2025-07-23
    Odvětví domácích spotřebičů byl svědkem nárůstu rozmanitosti produktu a personalizace designu, který splňuje požadavky na rozmanité trhy a preference zákazníků. Získejte nahlédnutí do tržních ovladačů, výzev a řešení pro přijetí systémů QMC a podívejte se na příklady jejich aplikace v reálném světě ve výrobě klimatizace.
  • 2025-07-23
    Průmysl výroby plísní je v klíčovém okamžiku. Globální konkurence, rostoucí pracovní náklady a poptávka po vysoce přesných, levných a rychlých formách způsobily výrobce, aby přijali technologie průmyslu 4.0 pro transformaci tradičních plísních továren do inteligentních továrny. Prozkoumejte výhody továren inteligentních forem a budoucnost inteligentních výrobních plísní založených na údajích.
  • 2025-07-21
    Zdroj obrázku: PexelSyou Používejte technologie digitální inspekce, aby byly formy přesnější. Přesnost je důležitá v každém kroku, od designu po formování. Inteligentní formy mají senzory, které kontrolují teplotu, tlak a tok. Tyto senzory poskytují data v reálném čase. To pomáhá s údržbou a udržuje profesionály
  • časté15stránka  dosáhnoutstránka
  • Určit

ZHUHAI GREE DAIKIN PRECISION MOLD CO., LTD.

Tel: +86-756-8593099
E-mailem: sales2@gd-mold.com
č. 688, Jinji Road, Xiangzhou District, Zhuhai, Guangdong, Čína.

RYCHLÉ ODKAZY

PRODUKTY

Spojte se
Copyright © 2022 ZHUHAI GREE DAIKIN PRECISION MOLD CO., LTD. Zásady ochrany osobních údajů | Sitemap |Podporováno leadong.com